Hello SimpleFOC Community
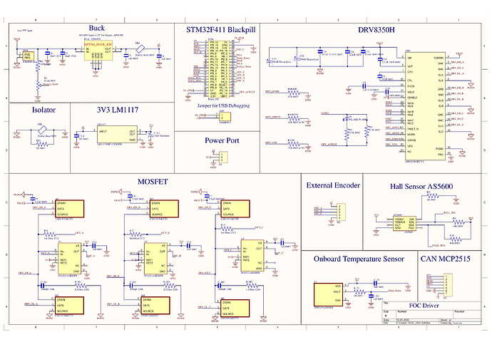
I’m designing a custom hub motor driver for e-bike and e-scooter applications for my project. The hardware design uses DRV8350H and CSD19536KTTT (following this reference- TIDA-010056 reference design | TI.com ), INA241A4 for inline sensing via shunt resistor, and STM32 Blackpill (STM32F411CEU6) for FOC implementation.
I am targeting 1.5-2kW motor (48V battery). 250W motor (36V battery) will be used for initial testing.
I am a complete beginner to driver design- I would really appreciate a review to eliminate any errors I have overlooked. Feedback on IN241A will be appreciated as well (I couldn’t find any previous projects using it)
Thanks!
