Hola amigo, ese motor arranca con 40 voltios, eso lo he visto probando en las lavadoras, yo las reparo y tambien estoy investigando en como controlar su velocidad, y el amperaje es de 1 amperior por bobina, sin carga de ropa en el tambor mi whatsapp +584147733166 instagram #servicioselectronicos_ve
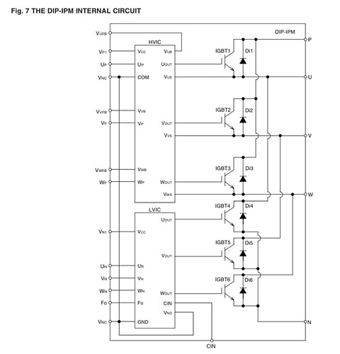
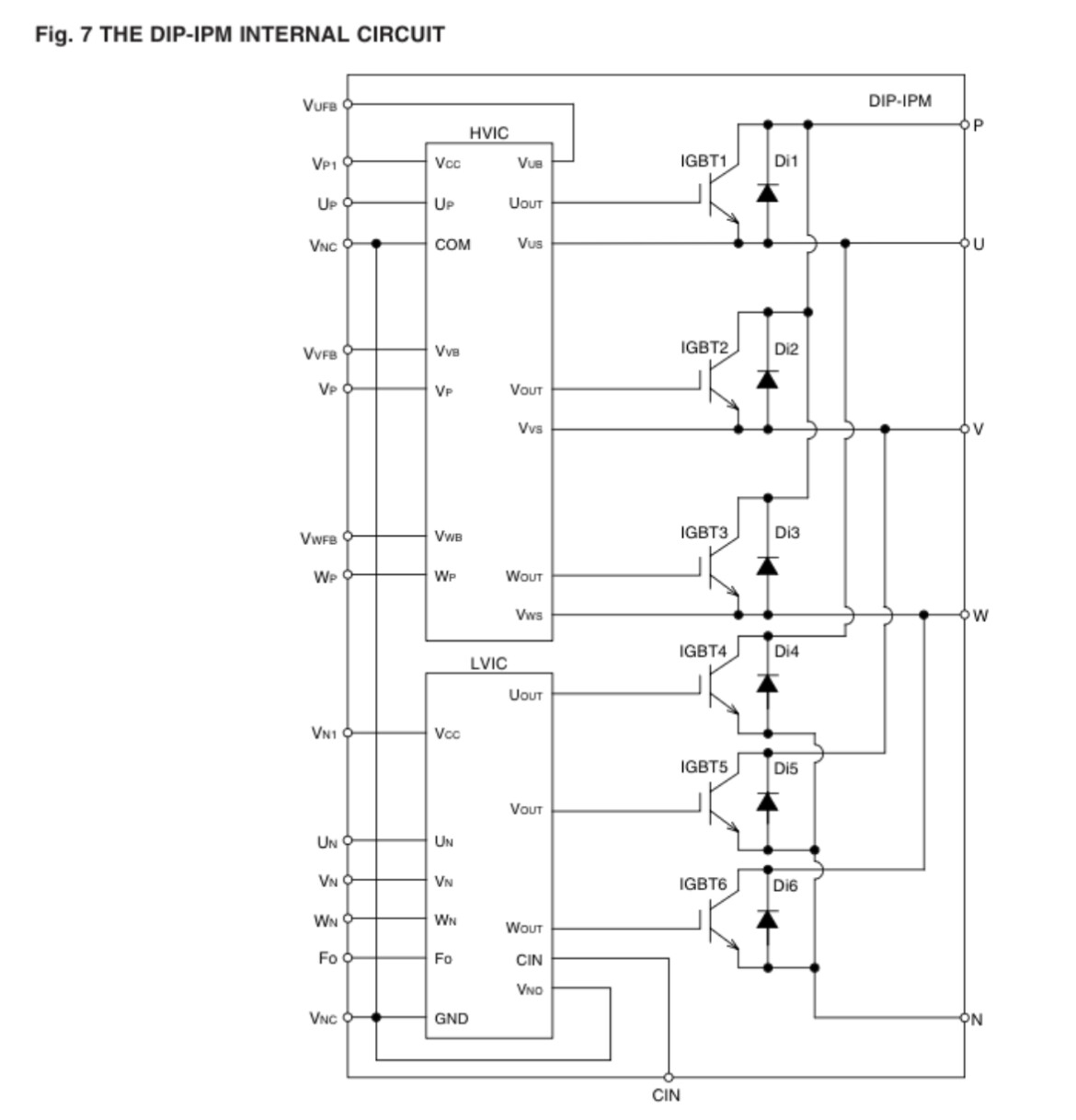
La fuente de alimentacion toma 110voltios de la red electrica, lo pasa por un puente rectificador y luego dos capacitores en una fuente simetrica que da 160voltios mas 160voltios, teniendo en los extremos positivo y negativo aproximadamente 320 voltios, este voltaje se aplica al “IPM” que controla las salidas W,U,V para el motor de la lavadora, las lavadoras LG usan el IPM Ps21964-4s, pero a mi me falta conseguir un programa para un ESP32 que combine las 6 salidas pwm, del lado alto y bajo para introducirla en el IPM Ps21964
